Обзор "обманок" для переделки холодильников LG.
Заставь дурака богу молиться - он и лоб себе разобъёт.
Vox populi

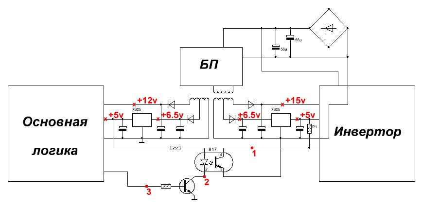
Прежде чем рассказывать что натворили эти прокажённые - поясню общую техническую ситуацию с парой моментов. Вот блок-схема типового модуля холодильника LG подлежащего переделке. Блок питания имеет две независымые выходные цепи - одна питает основную логику и гальванически развязана от сети, вторая часть питает инвертор и гальванически связана с сетью (я надеюсь понятно почему? Если нет - то это статья не для вас, вы ошиблись адресом). Убираем инвертор - и у нас вторая часть свободна - вот туда я и подключаю "обманку", а сигнал управления берётся, естественно, из точки 1.

Пациент №1
Видео здесь.
1а. Фраза: "Производитель....бла-бла-бла" говорит о том что пациент рекламирует чужое (т.е. за бабло, не понимая сути), при этом суёт свою карточку - какой он крутой программист, даже Ардюино может запрограммировать!... ну вы поняли - реклама на рекламе и рекламой погоняет, при этом не понимая что рекламируют....
1б. Откуда он берёт питание для обманки? Из левой части схемы. Реле на 12 вольт имеют имеют типовой рабочий ток в районе 30mA + несколько миллиампер потребляют микроконтроллер/светодиод - т.е. дополнительной нагрузки 0.4W - мелочь, а неприятно. Никто ж не знает запасов этого канала по нагрузке.
1в. При питании обманки от левой части схемы сигнал можно взять как напрямую от главного микроконтроллера (точка 3), но легче всего из самой легконаходимой точки 2 - с катода светодиода оптрона (если говорить совсем корректно - с коллектора транзистора, управляющего светодиодом оптрона!). И в данном случае никакого оптрона на обманке НЕ нужно! Но они берут сигнал с выхода оптрона, а там гальваническая связь с сетью - поэтому нужна развязка и для этого на обманке ставят оптрон! В общем сами накручивают лишнего - идиотизм в чистом, неприкрытом виде. Но данному пациенту это подсунули другие, а он тупо рекламирует этот идиотизм.
1г. Выход - клеммная колодка на плате обманки, т.е. надо срезать родной разъём.

Пациент №2
Видео здесь.
2а. Рекламирует "произведение" своей конторы, не понимая сути. Ну вы посмотрите как он креативно выкусывает плёночные (синие) конденсаторы! "Они не нужны!" Первый из выкушенных стоит параллельно сетевым электролитам. Второй - в сетевом фильтре, до дросселя. Настоящий "мастер холода"!!!
2б. Чтоб мне не повторятся - просто прочтите пункт 1б. Т.е. наступили на те же грабли.
2в. Вместо чтоб просто взять сигнал из точки 2 - выкусывается оптрон и вместо него включается оптрон, стоящий на плате обманки!

Пациент №3
Сайт здесь.
3а. Тут питание вообще "на борту". И сделано через жопу, поэтому проблемы, поэтому на странице даже приведена схема!!! с рекомендациями по ремонту!! Ненужные свисто-перделки в виде аж трёх!! индикаторов (особо не нужна цепочка со светодиодом параллельно компрессору). И вишенка на тортике - инвертор сигнала на микросхеме DD2 - а программно инвертировать слабо? (Правда, смотрю, на следующей версии убрали DD2 - осилили программно...). И жирненький микроконтроллер впридачу.
3б. Опять выкусываем оптрон на плате и подключаем свой, на обманке.
«Д, Б.!» (С.В.ЛАВРОВ)
По товарам, и их техническим решениям, которые рекламируют пациенты №1 и №2 - либо они из одного источника, либо идеи взяты из одного источника. Где-то подсунули им идеи "на халяву". Самое прикольное, если им эти идеи подсунули с целью поприкалываться - поймут или нет весь идиотизм предлагаемых решений? Не поняли. Приняли. Критическое мышление отсутствует напрочь. На халяву и уксус сладкий. Мне только жаль потребителей.
Ну и о чём явно не говориться: все эти "минимизации" усилий для подключения - всего лишь реклама, а главное - вы заработаете чуть меньше, а производители обманок - чуть больше. "Чуть" - понятие относительное, но даже если взять самые дешёвые омские - это минимум 1000 рублей. Как видите, как только дело доходит до денег, никаким дебилизмом и не пахнет, сразу все "умными" стали.... или жадными??
С уважением, ваш tilikum.